|
|
 |
 |
BG19-1 FWL SB
| BG19-1 FWL SB |
| Beschreibung: |
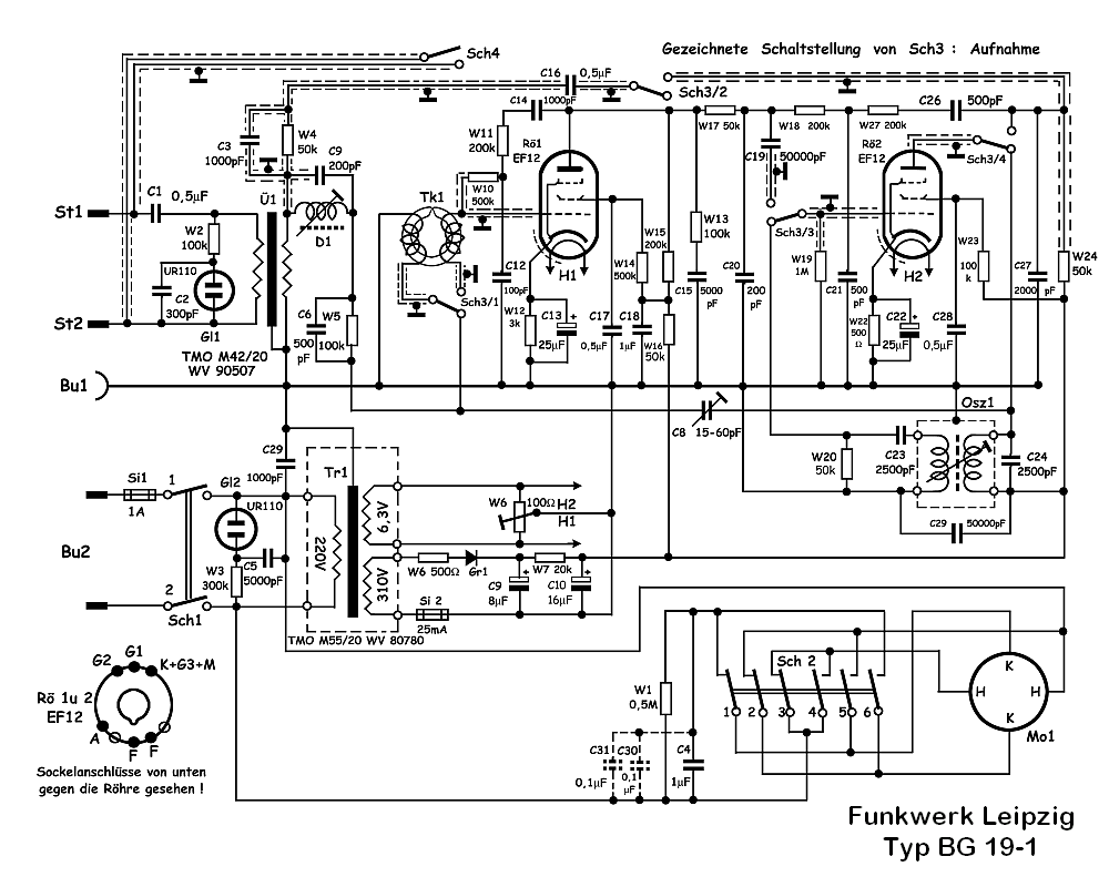
Hier das graphisch rekonstruierte Originalschaltbild. Für spezielle Bedürfnisse steht auch eine 5.000 Pixel breite Version dieses SB zur Verfügung!
|
| Schlüsselwörter: |
FWL, SB-01, BG19-1 |
| Datum: |
04.10.2009 11:54 |
| Hits: |
1794 |
| Downloads: |
0 |
| Bewertung: |
0.00 (0 Stimme(n)) |
| Dateigröße: |
145.0 KB |
| Hinzugefügt von: |
TipFox |
|
|
 |