|
|
 |
 |
Dok SB 1000
| Dok SB 1000 |
| Beschreibung: |
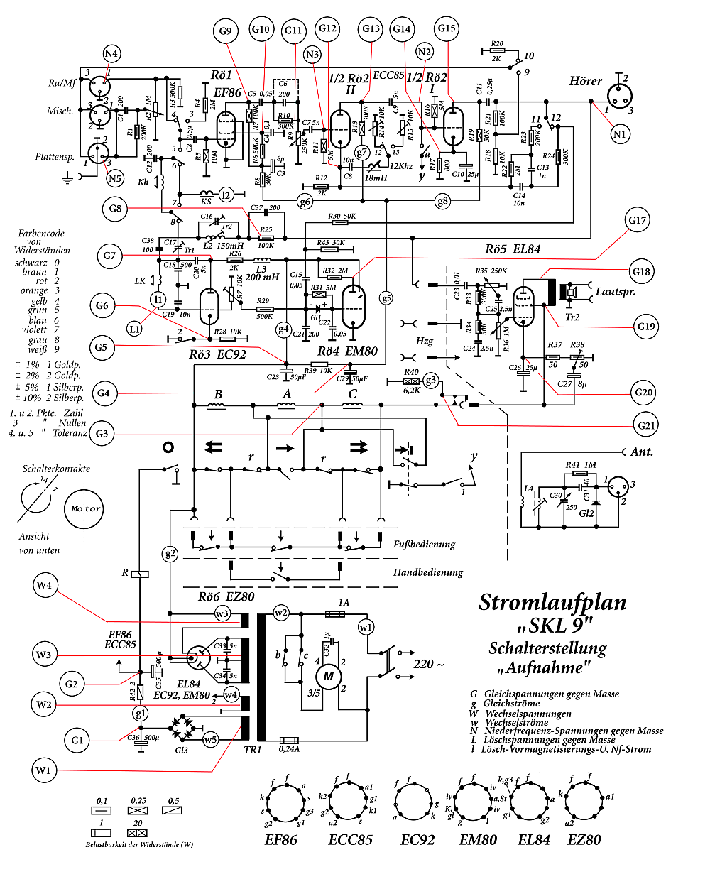
Das hier zu sehende SB wurde ebenfalls von einem RMorg.-Granden bei uns geklaut und wie üblich, als dessen Eigentum ausgewiesen. Das kann ich so behaupten, da es dieses SB sonst nirgendwo gibt! Das Original als desolate Vorlage ist extra von unserem TipFox neu gezeichnet worden, deswegen haben auch nur wir und sonst niemand die große Auflösung, welche ich aber von Anfang an unter Verschluß gehalten habe. Ich wußte schon weshalb, denn wie es so schön heißt: "Der Bauer erkennt seine Schweine am Gange!" und daß das nicht nur so dahergeredet ist, beweist die Praxis immer und immer wieder!
Dinge zu stehlen, die das Ergebnis angestrengter Arbeit Anderer sind ist das eine, die geklauten Sachen als Eigentum zu deklarieren ist etwas, was wohl nur Leuten einkommt, die ich als Abschaum bezeichne.
Für unsere Mitglieder steht dieses SB im Dokumentenordner in einer Auflösung von 4.000 x 5.000 Pixel zum Download bereit. Ausgedruckt bietet es eine erstklassige Reparaturunterlage mit viel Platz für eigene Eintragungen.
Hier eine verkleinerte Ausgabe im handlichen Format zur allgemeinen Information.
Text: MGW51 |
| Schlüsselwörter: |
SKL 9, SKL9, Reparatur-Stromlaufplan, SB, Schaltbild, Schaltplan, Stromlaufplan |
| Datum: |
12.10.2010 23:40 |
| Hits: |
3431 |
| Downloads: |
0 |
| Bewertung: |
0.00 (0 Stimme(n)) |
| Dateigröße: |
262.0 KB |
| Hinzugefügt von: |
TipFox |
|
|
 |