Erweiterte Suche
Home
/
Gerätekatalog Magnetton
/
Herstellerverzeichnis
/
Firmen: M
/
MGW / MWZ Meßgerätewerk Zwönitz
/
MTG 20 - 25
/
MTG24
/
BDA + SB
/ SB Typ 24, vollst.
Top Bilder
Neue Bilder
Registrierte Benutzer
Benutzername:
Passwort:
Beim nächsten Besuch automatisch anmelden?
»
Password vergessen
»
Registrierung
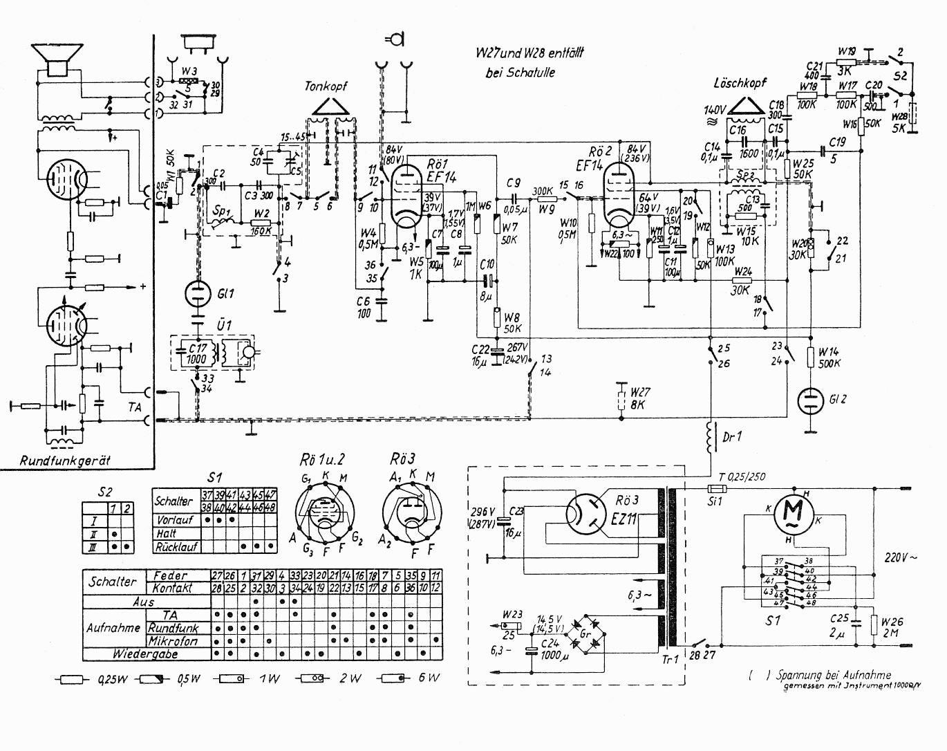
SB Typ 24, vollst.
Vorheriges Bild:
MTG24, 026, Abb.11
SB Typ 24, vollst.
Beschreibung:
Schlüsselwörter:
Datum:
03.11.2010 13:45
Hits:
688
Downloads:
0
Bewertung:
0.00 (0 Stimme(n))
Dateigröße:
123.8 KB
Hinzugefügt von:
MGW51
Autor:
Kommentar:
Es wurden noch keine Kommentare abgegeben.
Powered by
4images
1.10
Copyright © 2002-2026
4homepages.de
Layout & Design: Copyright © 2009
IG-FTF