|
|
 |
 |
SB klein, 800 Pixel
| SB klein, 800 Pixel |
| Beschreibung: |
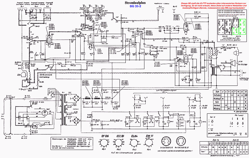
Dieses ergänzte und erweiterte SB finden Interessenten in einer größeren Auflösung im Dokumentenordner! Hier dient es nur zur Übersicht.
Bitte unbedingt die Angaben zu den verwendeten Meßgeräten beachten - die angegebenen Meßwerte sind bei Benutzung von Digitalmetern teils weitaus höher, auf gar keinen Fall aber niedriger!
|
| Schlüsselwörter: |
|
| Datum: |
10.10.2011 21:09 |
| Hits: |
902 |
| Downloads: |
1 |
| Bewertung: |
0.00 (0 Stimme(n)) |
| Dateigröße: |
46.6 KB |
| Hinzugefügt von: |
MGW51 |
|
|
 |