Erweiterte Suche
Home
/
Gerätekatalog Magnetton
/
Herstellerverzeichnis
/
Firmen: G
/
Grundig
/
TK 6
/ SB Teil 3
Top Bilder
Neue Bilder
Registrierte Benutzer
Benutzername:
Passwort:
Beim nächsten Besuch automatisch anmelden?
»
Password vergessen
»
Registrierung
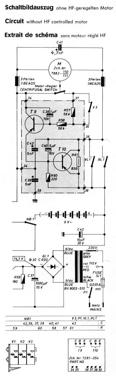
SB Teil 3
Vorheriges Bild:
SB Teil 2
SB Teil 3
Beschreibung:
Schlüsselwörter:
TK6
,
TK 6
,
TK6E
,
TK 6E
,
Grundig
,
Schaltbild
,
SB
Datum:
12.02.2009 21:15
Hits:
846
Downloads:
0
Bewertung:
0.00 (0 Stimme(n))
Dateigröße:
74.7 KB
Hinzugefügt von:
JuergenK
Autor:
Kommentar:
Es wurden noch keine Kommentare abgegeben.
Powered by
4images
1.10
Copyright © 2002-2026
4homepages.de
Layout & Design: Copyright © 2009
IG-FTF