|
|
 |
 |
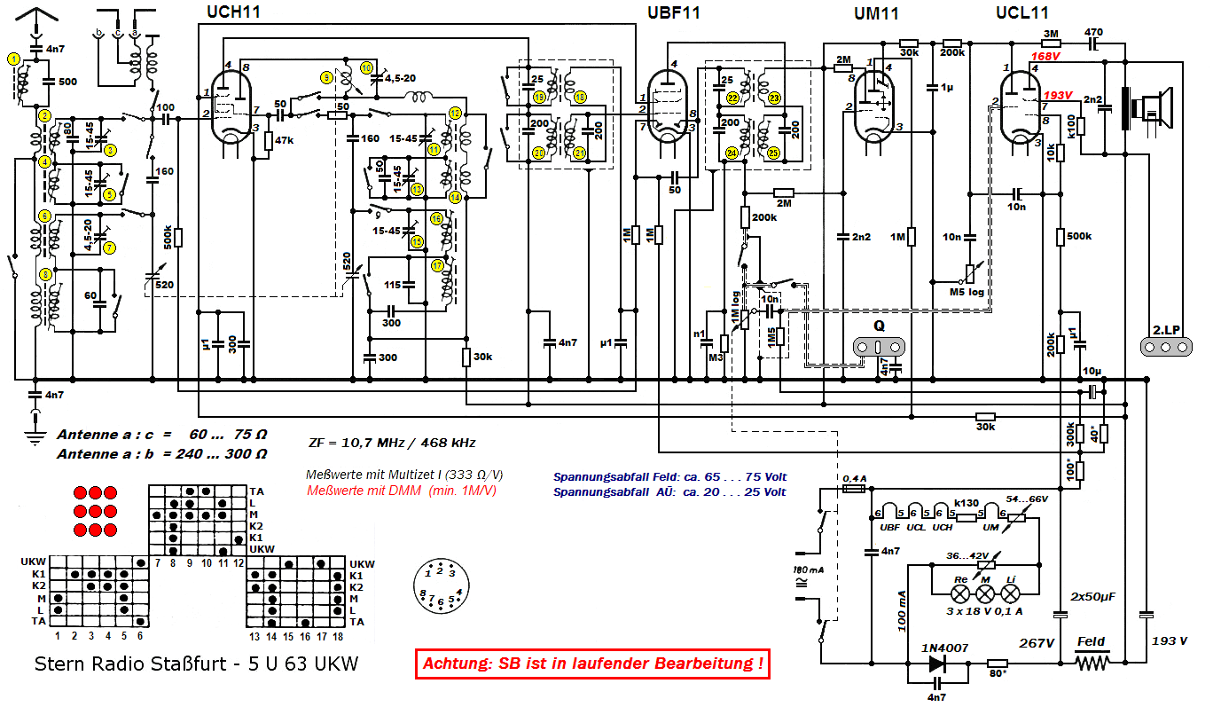
SB: 5U63UKW, nur 220V, 1953
| SB: 5U63UKW, nur 220V, 1953 |
| Beschreibung: |
Das oben zu sehende SB befindet sich in der Bearbeitung!
Es ist keinesfalls als "fertig" zu betrachten da noch einige Schaltungsteile manuell aufgenommen werden müssen.
Die Sache wird nicht eben einfacher weil der oder die Vorbesitzer bereits verschiedenste Änderungen umgesetzt haben so daß es unklar ist, wie der Originalzustand einst bei der Auslieferung war. Insbesondere ist nicht sicher, ob der hier verbaute fremderregte Lautsprecher da hineingehört. Das ließe sich nur mittels Originalschaltbild klären doch dieses hat der Vorbesitzer leider von der Rückwand entfernt.
Also bitte mit entsprechender Umsicht die hier gemachten Angaben behandeln!
|
| Schlüsselwörter: |
|
| Datum: |
19.02.2012 14:47 |
| Hits: |
1263 |
| Downloads: |
0 |
| Bewertung: |
0.00 (0 Stimme(n)) |
| Dateigröße: |
169.6 KB |
| Hinzugefügt von: |
MGW51 |
|
|
 |